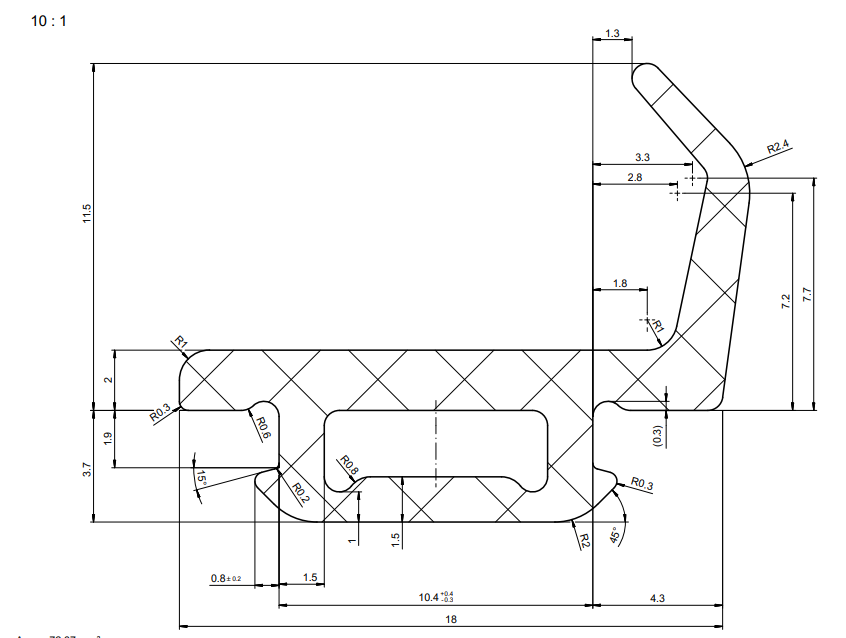
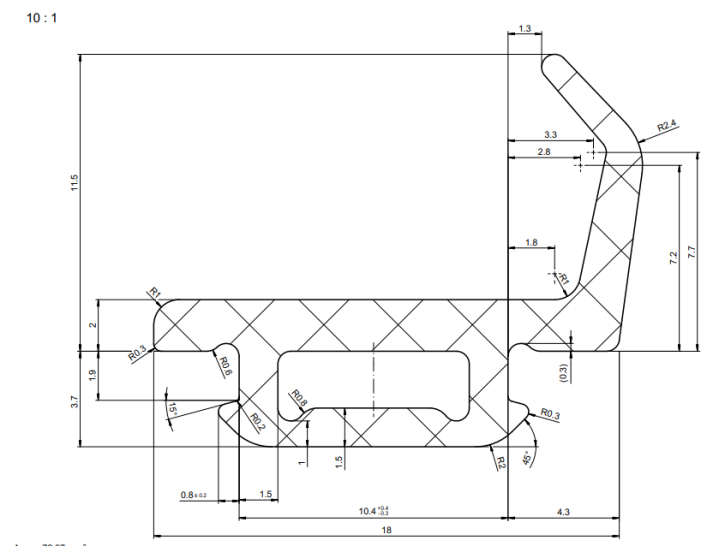
Schüco Dichtung 224654
Produktbeschreibung
Schüco Dichtung 224654
Schüco Dichtung ASS 70
Hersteller-Nr.: 224564
Herstellerkennzeichnung
Herstellerkennzeichnung
Name: Schüco International KGE-Mail Adresse: info@schueco.com
Straße: Karolinenstraße 1-15
Postleitzahl: 33609
Stadt: Bielefeld
Land: DE
Telefonnummer: + 49 521 783-0

